產品中心
PRODUCT CENTER
推薦產品
-

- GGD 低壓成套開關
用途:GGD型低壓固定式成套開關柜適用于發電廠、變電站、廠礦企
-

- ZR-YJV -阻燃電力
YJV電纜主要芯數有2芯、3芯、4芯、5芯、3+1、3+2、4+1、預分支電
-

- NH-BV
耐火電纜是指在火焰燃燒情況下能夠保持一定時間安全運行的電纜。我國國家標
行業資訊
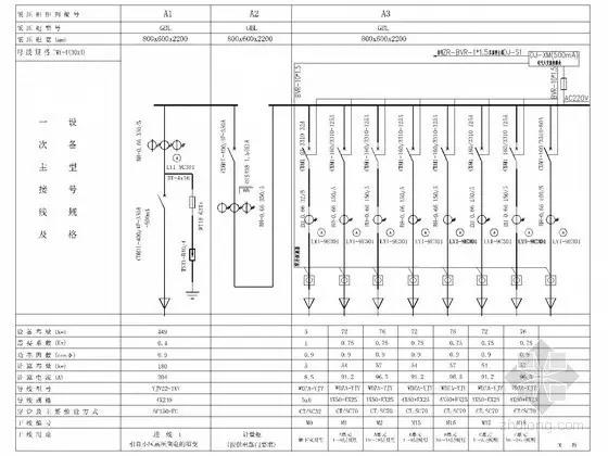
電氣負荷計算不會的看過來,推薦學習!
第一部分:負荷計算的目的
1、是為了確定建筑物的用電計算負荷,以便正確合理地選擇電氣設備。
2、確定用戶的進線開關、電表流程、進線電纜截面。
3、確定區域樓層的配電箱進線開關及電纜截面。
4、確定整個建筑物的計算負荷,合理選擇變壓器容量。
5、確定當地供電部門規定的補償電容的容量。
6、確定線路損耗及電能損耗。

1、單位指標法



上一篇:維修變頻器十年來的經驗總結
下一篇:電氣設備發熱的主要原因和危害

關注微信公眾號
掃一掃 加微信